IS - 3rd Gen (2014-present) Discussion about the 2014+ model IS models

Auto folding mirrors

Thread Tools
 
Search this Thread
 
Old Nov 2, 2025 | 12:43 AM
  #61  
isfree's Avatar
isfree
Pit Crew
5 Year Member
Photoriffic
Loved
Community Favorite
 
Joined: Oct 2019
Posts: 106
Likes: 100
From: California
Default

For the 2025 mirrors the motor is pin 3 green wire and pin 11 blue wire
Reply
Old Nov 18, 2025 | 06:00 PM
  #62  
Oreos's Avatar
Oreos
Rookie
 
Joined: Dec 2023
Posts: 27
Likes: 7
From: NJ
Default

Originally Posted by isfree
For the 2025 mirrors the motor is pin 3 green wire and pin 11 blue wire
Are you referring to the blue and green wires that come from the mirror? I'm aware of them because I previously tested an ES motor. It wouldn't work to directly tap into these because the BCU also has to control the right-side mirror.

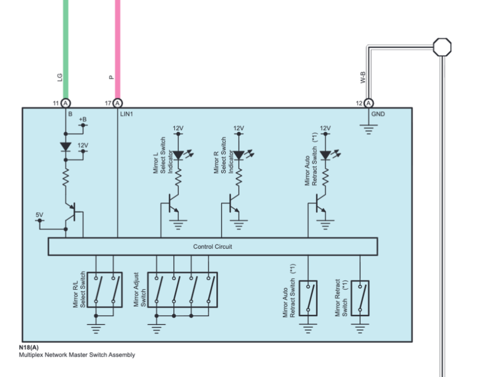
Therefore, it requires the wires to be tapped that go from the Multiplex to the Mirror Control. I was able to get the wiring diagram and determine that the Light Green and Pink wires play a role in controlling the mirror functions. But I cannot determine if splicing either of these will simply cut off the 12V, and I'm not about to hack job this without being sure. This diagram is for a 2023, and I don't have access to a 2025 yet, so maybe there's something in that diagram that confirms it. I'm not sure if the LG wire is suggesting that's the 12V, simply because the diagram indicates 12V in some capacity.


Last edited by Oreos; Nov 18, 2025 at 06:02 PM.
Reply
Old Nov 18, 2025 | 06:23 PM
  #63  
isfree's Avatar
isfree
Pit Crew
5 Year Member
Photoriffic
Loved
Community Favorite
 
Joined: Oct 2019
Posts: 106
Likes: 100
From: California
Default

2025 diagrams are here
https://www.clublexus.com/forums/is-...l#post11957978

Do you have memory seats?
Reply
Old Nov 18, 2025 | 06:55 PM
  #64  
Oreos's Avatar
Oreos
Rookie
 
Joined: Dec 2023
Posts: 27
Likes: 7
From: NJ
Default

Originally Posted by isfree
2025 diagrams are here
https://www.clublexus.com/forums/is-...l#post11957978

Do you have memory seats?
Ah, yes that's it, thank you. Yes, I have memory seats. The diagram looks the same, except now it shows the auto retract, so the light green wire seems to be accurate. When negative, the circuit closes and it goes to 5V. So the next question is if the module is expecting two separate wires to control the 12V signal how can I make this work with with one wire. I will now need to determine with some multimeter testing if the second wire is even necessary.


Reply
Old Nov 19, 2025 | 02:45 PM
  #65  
Oreos's Avatar
Oreos
Rookie
 
Joined: Dec 2023
Posts: 27
Likes: 7
From: NJ
Default

Welp, I'm at an impasse.

I've learned the LIN1 (P) is a signal wire, and it sends various commands to mirrors. The B (LG) wire, while 12V, is nothing but power to the switch, so severing it will not cause the mirror to fold or unfold. In theory, I could make the module work, but I think it's just too much trial and error to be comfortable with. One mistake, and I risk unintended consequences.

On the flip side, I have found a used 2025 BCM for $250, but my fear is that because it's used, it may cause conflict with the preexisting VIN. Whereas, a new BCM is fresh and can be appropriately installed as dealer would do. Risking the $250 isn't my concern. Causing some kind computer issue is. So, I guess I give up.

Last edited by Oreos; Nov 19, 2025 at 02:48 PM.
Reply
Related Topics
Thread
Thread Starter
Forum
Replies
Last Post
Ellesse
LS - 3rd Gen (2001-2006)
1
Jun 19, 2022 02:47 AM
praetor
GS - 4th Gen (2013-2020)
13
Dec 3, 2018 06:47 AM
ThumperPup
ES - 1st to 6th Gen (1990-2018)
2
Oct 12, 2017 09:30 AM
eyeball
IS - 3rd Gen (2014-present)
15
Feb 7, 2014 10:42 PM
lexus-is2
IS - 2nd Gen (2006-2013)
2
Nov 26, 2010 01:30 PM




All times are GMT -7. The time now is 09:41 AM.