Notices
LS - 3rd Gen (2001-2006) Discussion topics related to the flagship Lexus LS430

Fusible Link Box Assembly (Need to Replace)

Thread Tools
 
Search this Thread
 
Old Oct 4, 2018 | 01:05 PM
  #16  
JefDav84's Avatar
JefDav84
Thread Starter
Driver School Candidate
 
Joined: Mar 2016
Posts: 38
Likes: 4
From: North Carolina
Default

Originally Posted by Catalina45
So you did replace the wire from the alternator to the fuse box/battery? If so double-check the alternator connection for any signs that it heated up there( potentially a bad rectifier in alternator) and that it’s routed properly so as not to touch ground. While you are at it why not get a remanufactured Denso alternator from Rock Auto ($120)? Or if you see scorch marks on the alternator when inspecting it; definitely replace it. The power shouldn’t flow back to the alternator circuit breaker unless the rectifier isn’t working or there’s a massive connection problem (reversed polarity on alternator wires; dead-short; etc.).

Sorry for the confusion. I just replaced the actual 140A Alternator fuse back in March. I have yet to do anything with the alternator wiring.

It was just mentioned in some research I was doing that the wire could be a potential issue.
Reply
Old Oct 4, 2018 | 01:55 PM
  #17  
Catalina45's Avatar
Catalina45
Pit Crew
 
Joined: Dec 2017
Posts: 203
Likes: 33
From: Texas
Default

Not a problem. Look closely at that wire for any chafing or damage. Hopefully you didn’t have a dead-short and it melted part of the wire before blowing & melting the fuse. If so hopefully Lexus has a replacement part or you can repair the faulty wire. You probably want to remove the battery & battery trey as a large engine loom is under the battery trey and if acid ever leaked from the battery it could be that it’s shorting from that loom onto the body. Did you have a battery case crack or had to replace your battery shortly before this problem started?
Reply
Old Oct 5, 2018 | 07:20 AM
  #18  
JefDav84's Avatar
JefDav84
Thread Starter
Driver School Candidate
 
Joined: Mar 2016
Posts: 38
Likes: 4
From: North Carolina
Default

Going to attempt the replacement on Saturday of my box. It does appear that there will be some wire splicing involved to attach the wiring to replacement box. I will keep updates on the thread for everyone so wish me luck.

Here is a pic I took of the replacement box I will be putting in. This is where the rest of the wires that are not bolted in fuse links are located


Reply
Old Oct 8, 2018 | 06:09 AM
  #19  
JefDav84's Avatar
JefDav84
Thread Starter
Driver School Candidate
 
Joined: Mar 2016
Posts: 38
Likes: 4
From: North Carolina
Default

Quick Update

Started on the project of swapping out the fusible link box on Saturday. Got all the wires spliced, and connected to new wires. Also got the original harness wires bolted in. Go to test everything out and as soon as you hook the battery back up you hear the starter engage. Most of the wires look the same, but there are some spots where the wiring is different. This box came out of a 2005 LS, and I have a 2003. The ebay store i got it from said that this box worked in 01-06. I am starting to think after looking again that 01-04 was the same, and maybe 05-06 were possibly a little bit different.

After My dad and Brother in law overlooked everything yesterday we are at a point to where the starter will no longer engage. As of right now when you turn the key it appears that all interior lights, dash, headlights, radiator fan come on. But the starter is not engaging. At this point I may just have to bite the bullet and have it towed to Lexus to just fix unless anyone has any ideas. Obviously there is a wiring issue, but after having 3 people look at it we are stumped.

Reply
Old Oct 8, 2018 | 09:50 AM
  #20  
Catalina45's Avatar
Catalina45
Pit Crew
 
Joined: Dec 2017
Posts: 203
Likes: 33
From: Texas
Default

RKW can you help?
Reply
Old Oct 8, 2018 | 11:06 AM
  #21  
bradland's Avatar
bradland
CL Community Team
20 Year Member
Liked
Loved
Community Favorite
 
Joined: Dec 2005
Posts: 2,697
Likes: 824
From: 565 St Peter NOLA
Default

I've attached a couple PDF's from the svc manual. Unfortunately they are from a 2006 svc manual so it may or may not help. If you can find the same wiring diagrams from an 03 manual you may be able to compare...?
Attached Files
File Type: pdf
Fuses+&+Circuit+Breakers.pdf (520.6 KB, 506 views)
Reply
Old Oct 8, 2018 | 01:41 PM
  #22  
rkw77080's Avatar
rkw77080
Lexus Champion
 
Joined: Mar 2011
Posts: 2,186
Likes: 728
From: Texas
Default

Originally Posted by Catalina45
RKW can you help?
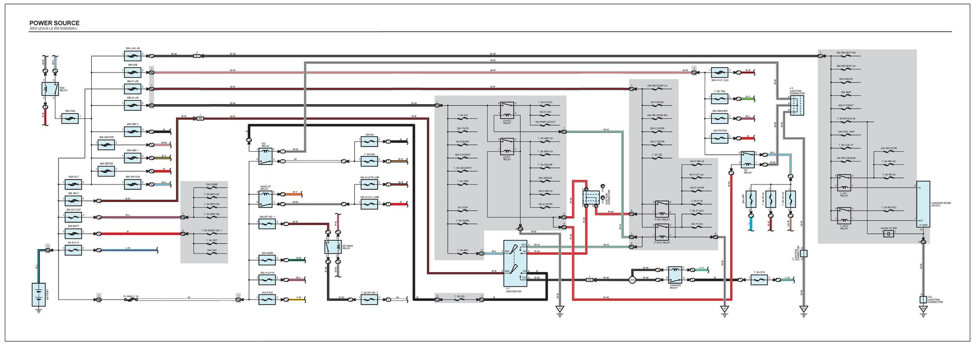
These electrical schematics may be helpful in comparing (note the wire color) the minor differences between the 01-03 and 04-06 fusible link boxes.





Attached Files
File Type: pdf
04-06 Power Source.pdf (116.7 KB, 228 views)
File Type: pdf
01-03 Power Source.pdf (106.0 KB, 203 views)

Last edited by rkw77080; Oct 8, 2018 at 02:35 PM.
Reply
Old Oct 8, 2018 | 02:31 PM
  #23  
rkw77080's Avatar
rkw77080
Lexus Champion
 
Joined: Mar 2011
Posts: 2,186
Likes: 728
From: Texas
Default

Here's a side-by-side comparison between the 01-03 and 04-06 fusible link box.
Reply
Old Oct 9, 2018 | 08:23 AM
  #24  
JefDav84's Avatar
JefDav84
Thread Starter
Driver School Candidate
 
Joined: Mar 2016
Posts: 38
Likes: 4
From: North Carolina
Default

Thanks so much for the replies and pictures. My guess is somewhere a wire is crossed since this ended up being a fuse box from a 2005 even though the listing said 01-06 were the same. Here are some of the main differences I see

1) LUG J/B on 03 box is a 50A fuse. On the 05 box it is a 60A fusible link in the second slot. The 03 box has no fusible link in that slot

2) There is a 30A starter fuse on the 05 box. On the 03 box I do not see one at all. If you compare the two the 03 has an AM2 fuse in that spot and the 05 has the 30A starter fuse

Would it help me to just find a 01-03 box, and then just re-do the whole process? Or have I already messed things up to a point to where it needs to be professionally done?
Reply
Old Oct 9, 2018 | 10:56 AM
  #25  
bradland's Avatar
bradland
CL Community Team
20 Year Member
Liked
Loved
Community Favorite
 
Joined: Dec 2005
Posts: 2,697
Likes: 824
From: 565 St Peter NOLA
Default

It looks like the part number for the box itself (8262050060) is the same for both years. So theoretically everything should physically fit once you determine which wire goes where and what amperege fuse should be used. This is a monster of a project and I tip my hat to you for trying it yourself !
Reply
Old Mar 30, 2023 | 07:43 AM
  #26  
jdanielca's Avatar
jdanielca
Pole Position
5 Year Member
Liked
Loved
Community Favorite
 
Joined: Jun 2018
Posts: 2,415
Likes: 217
From: Ontario
Default

Guys I know it’s an old thread if anyone involved is still around are the bolts that hold the wires in 8mm? If so does anyone have a part number I can’t find diagrams with the bolt numbers anywhere. Thanks
Reply
Related Topics
Thread
Thread Starter
Forum
Replies
Last Post
ericrose
ES - 1st to 6th Gen (1990-2018)
11
Oct 21, 2025 06:05 AM
es30003
ES - 1st to 6th Gen (1990-2018)
4
Jun 24, 2019 06:08 AM
BLAXCGS430
GS - 2nd Gen (1998-2005)
5
Nov 5, 2014 12:40 PM
933005spd
SC400 / 300 Classifieds
1
Jun 24, 2007 04:30 PM




All times are GMT -7. The time now is 09:35 AM.