Notices
LS - 1st and 2nd Gen (1990-2000) Discussion topics related to the 1990 - 2000 Lexus LS400

Pcv hose

Thread Tools
 
Search this Thread
 
Old Apr 24, 2025 | 09:21 PM
  #1  
deesen32's Avatar
deesen32
Thread Starter
Driver School Candidate
 
Joined: Feb 2025
Posts: 15
Likes: 2
Default Pcv hose

Anybody know what this hose is called and where to get a replacement? I know it’s a dumb question but just can’t seem to find the name for it anywhere. I’ll attach a picture of it. Can’t pass smog without it 😡. Thanks- 93’ LS400 1UZ-FE

Reply
Old Apr 24, 2025 | 09:49 PM
  #2  
400fanboy's Avatar
400fanboy
Racer
5 Year Member
Liked
Loved
Community Favorite
 
Joined: Mar 2018
Posts: 1,908
Likes: 493
From: Nevada
Default

I'm not sure that's the PCV, the PCV valve and pipe is coming from the driver's side of the valve cover on a 1993.

Here are the pictures in the same orientation of a 1993 engine from google. That pipe isn't present. Is it some California only part I'm not familiar with? I'm not sure.




Last edited by 400fanboy; Apr 24, 2025 at 10:02 PM.
Reply
Old Apr 24, 2025 | 10:39 PM
  #3  
bradland's Avatar
bradland
CL Community Team
20 Year Member
Liked
Loved
Community Favorite
 
Joined: Dec 2005
Posts: 2,714
Likes: 829
From: 565 St Peter NOLA
Default

Originally Posted by deesen32
Anybody know what this hose is called and where to get a replacement? I know it’s a dumb question but just can’t seem to find the name for it anywhere. I’ll attach a picture of it. Can’t pass smog without it 😡. Thanks- 93’ LS400 1UZ-FE
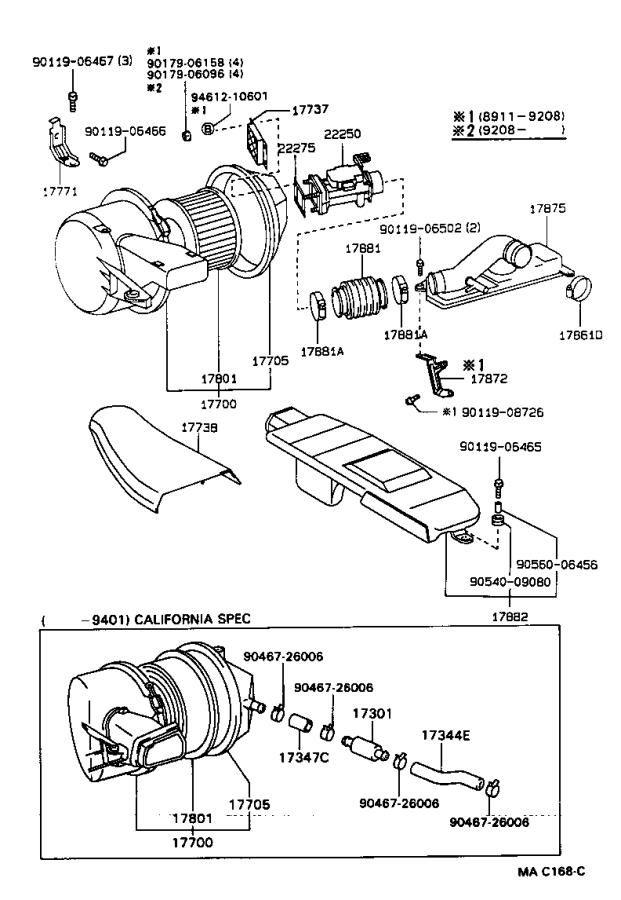
https://parts.belllexusnorthscottsda...4-754A8BDB48A2

Almost every part in the diagram is NLA.

Reply
Old Apr 24, 2025 | 11:28 PM
  #4  
bradland's Avatar
bradland
CL Community Team
20 Year Member
Liked
Loved
Community Favorite
 
Joined: Dec 2005
Posts: 2,714
Likes: 829
From: 565 St Peter NOLA
Default

Lexus calls the plastic part (17301) a silencer so it may not be critical to the cars emissions.
i’m only familiar with Arizona smog testing but I’d guess you’re failing a visual inspection.
take the silencer out and replace the hose with longer generic vacuum hose and you’ll likely be ok.
Reply
Related Topics
Thread
Thread Starter
Forum
Replies
Last Post
lo_dit
GS - 2nd Gen (1998-2005)
29
Feb 18, 2019 05:24 PM
Boredsoim1
LS - 1st and 2nd Gen (1990-2000)
5
Feb 19, 2018 06:21 PM
Transforma
RX - 1st Gen (1999-2003)
4
Jan 21, 2012 09:02 PM
bigste
LS - 1st and 2nd Gen (1990-2000)
4
Oct 14, 2007 06:03 PM
TexasLex
SC - 1st Gen (1992-2000)
2
Dec 15, 2005 01:55 PM




All times are GMT -7. The time now is 05:53 AM.